Page 225 - Katalog Novaservis 2021
P. 225

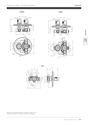
TECHNICKÉ VÝKRESY •  TECHNICAL DRAWINGS                                                     AQUAMAT



                           2650RX                                               2650R














                                                                                                                     AQUAMAT




























                                                        2651





































          Termostatické baterie série Metalia 57 najdete na straně  49 - 50.
          Please turn to page 49 - 50 for thermostatic mixers Metalia 57.



                                                                                        www.novaservis.cz           223
   220   221   222   223   224   225   226   227   228   229   230